C & C Lifting
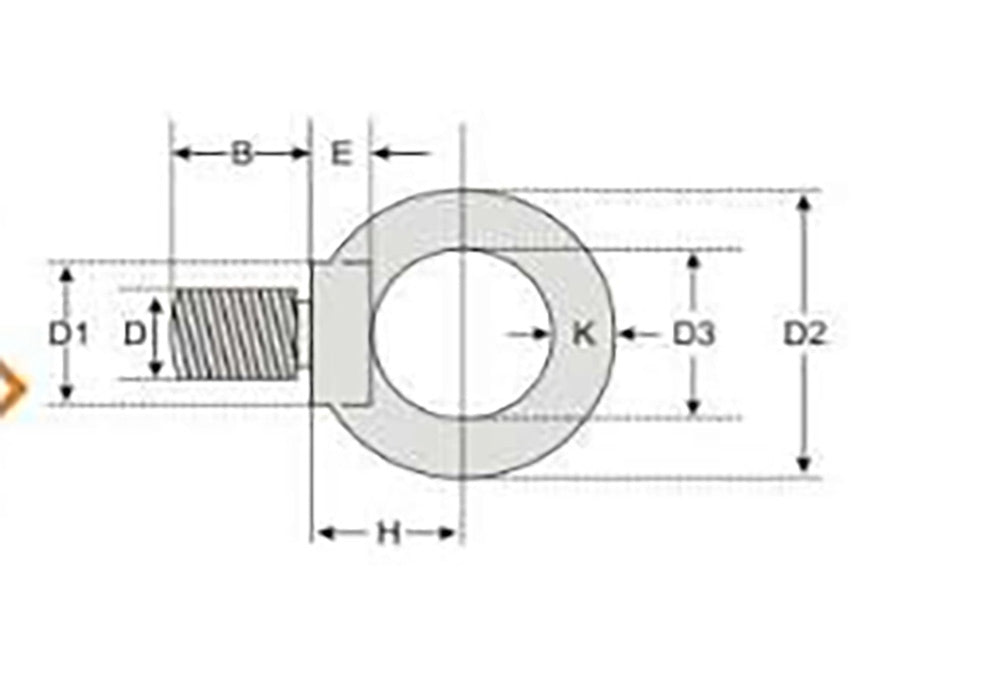
Eye Bolt Din 580
DIN 580 (Foreign) standard eye bolts made of steel and of stainless steel. This standard specifies the characteristics of eye bolts made of steel and stainless steel and provides information for their correct use in hoist operations (as part of slings and as a load suspension device). Use CAUTION when lifting. Any angle beyond vertical (axial lift ) will reduce the rating capacity refer to load charts. Eyebolts conforming to this standard are suitable for use at temperatures ranging from -20 °C to +200 °C without a reduction in their lifting capacity. Material identification symbol: C15 or C15E.
Share


