C & C Lifting
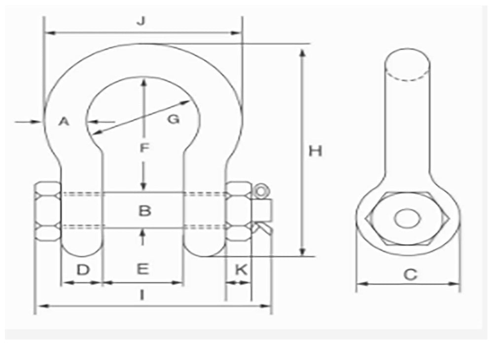
Green Safety Pin Bow Shackle
Green Pin Safety Pin/ Screw pin Shackles are premium quality and of Dutch (European) quality- you can be sure you are buying the best when it comes to Lifting Shackles.
Featuring a wide bow and Galvanised finish, each Green Pin Shackle can be instantly recognized afar with its vivid green screw pin.
Material: Bow & Pin high grade steel
Safety Factor: MBL equals 6 x WLL
Standard: EN 13889 and meets the performance requirements of US Fed. Spec. RR-C-271 Type IVA Class 2, Grade A
Finish: Hot dipped Galvanised
Temperature Range: -20C to +200C
DNV Type Approved
Supplied with proof load certificate.
Featuring a wide bow and Galvanised finish, each Green Pin Shackle can be instantly recognized afar with its vivid green screw pin.
Material: Bow & Pin high grade steel
Safety Factor: MBL equals 6 x WLL
Standard: EN 13889 and meets the performance requirements of US Fed. Spec. RR-C-271 Type IVA Class 2, Grade A
Finish: Hot dipped Galvanised
Temperature Range: -20C to +200C
DNV Type Approved
Supplied with proof load certificate.
Share


